リフォームをご検討中の方にお勧め!LL45遮音性能、歩行感に優れたチーク材
《リフォーム業者やデベロッパーにご好評をいただいているフローリングです》

ミャンマーチーク無垢防音フローリング T15(無垢材12+防音下地3)×W90×L909㎜・OPC・ガラスコート仕上げ (床下地合板に接着剤と釘の併用施工)
ミャンマーチークフローリングと周辺造作材を輸入販売・施工をしているミャンマーチーク販売(株)は(財)日本建築総合試験所のご指導・ご協力の下、試行錯誤を経て、平成15年5月に、全国で初めてスラブに直貼りして、床衝撃音レベルがLL45を確保する無垢フローリングの開発をしました。
早速、多くの新築マンションに採用されましたが、乾式遮音二重床の性能向上に伴い、スラブ直貼り工法の新築マンションは少なくなり、遮音フローリングの需要も減少しました。
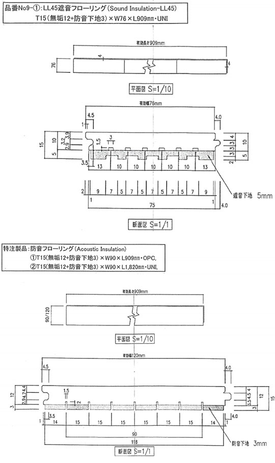
しかし、団塊世代の高齢化に伴い、利便性の高い都心部の中古マンションに転居されるケースが多くなり、そのマンション のリフォームに,スラブ直貼りでLL45の遮音性能が確保出来、且つ、床暖房にも対応出来る、ミャンマーチーク販売の『チーク無垢ローリング、T15(無垢10+遮音下地5)×W76×L909㎜』の需要が高まっています。
又、商業施設では職場環境改善に、足にやさしいクッション性と防音効果のあるフローリングの需要が高まっています。防音フローリングに疵や汚れが付き難いガラスコート塗装を施し自然感のある無垢スラブ直貼り防音フローリング『T15(無垢12+防音下地3)×W90/120×L909㎜・OPC/UNI』が好評です。
【チーク無垢防音フローリング・作成図】

TEL: 042-400-1067 / FAX: 042-400-1068
■おすすめのニュース
製品紹介
ショールーム












